Alfacomp
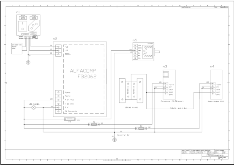
O Painel de telemetria e comunicação PT5250 abriga uma fonte de alimentação com bateria, um rádio modem e um conversor Serial/Ethernet. A utilização principal para a qual a solução foi concebida, é a interligação do computador ao um rádio modem. O painel instalado próximo à antena, e a conexão do painel com o microcomputador servidor se dará via rede Ethernet.

| Característica | PT5250 |
|---|---|
| Portas de comunicação nativas | Serial RS232, RS485 e Ethernet |
| Elemento de comunicação | Rádio Modem P900-ENC |
| Alimentação | Fonte carregadora com bateria e autonomia de 12 horas |
| Proteções AC | Entrada AC protegida com varistores e fusíveis. |
| Iluminação | Módulo SW3301 com 12 LEDs brancos de alta intensidade |
| Dimensões do quadro (Altura x Largura x Profundidade) | 400 x 300 x 200mm |
| Grau de Proteção | IP54 (*consulte outros modelos) |

Somos referência em automação e controle industrial no Brasil. Atuamos como consultoria de engenharia, fabricantes de soluções próprias e distribuidores exclusivos Haiwell, oferecendo CLPs, IHMs e sistemas completos de automação. Unimos experiência, inovação e proximidade para elevar a eficiência, a segurança e a competitividade das indústrias em todo o país.
PT5250 – Painel de telemetria para comunicação
© Copyright 2026. DIVIA Marketing Digital. Todos os Direitos Reservados

Envie uma avaliação