Soluções Completas em Automação Industrial
Conteúdos e materiais
Os medidores de vazão eletromagnéticos utilizam a Lei de Faraday para detectar e medir a vazão. Dentro de um transmissor de vazão eletromagnético existe uma bobina que gera um campo magnético e eletrodos que capturam o campo elétrico resultante do movimento do líquido que está sob o campo magnético.
Segundo a Lei de Faraday, movendo líquidos condutivos dentro de um campo magnético, gera-se uma força eletromotriz (voltagem). Ou seja, a velocidade do fluxo do líquido movendo dentro do campo magnético gera um campo elétrico proporcional. O campo elétrico E é proporcional a V x B x D (velocidade x campo magnético x diâmetro).

Os transmissores de vazão eletromagnéticos apresentam as seguintes características:
Não são afetados por temperatura, pressão, densidade ou viscosidade do líquido;
Detectam a vazão também em líquidos contaminados por sólidos e bolhas;
Não causam perda de pressão;
Não utilizam partes móveis e por isso são mais confiáveis;
Não podem ser utilizados em líquidos que não sejam condutivos.
A condutividade expressa a facilidade com que o líquido permite a condução da corrente elétrica. A condutividade é medida em S/cm (siemens por centímetro). A água comum da torneira tem condutividade média de 100 a 200 μS/cm, água mineral de 500 μS/cm ou mais, e água pura de 0.1 μS/cm ou menos.
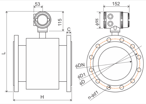
O transmissor de vazão eletromagnético TVE20 permite a medição da vazão de líquidos em tubulações de 10 a 350 milímetros de diâmetro utilizando o princípio eletromagnético baseado na Lei de Faraday.

Estrutura de múltiplos eletrodos;
Alta precisão;
Sem partes móveis;
Ampla faixa de medição;
Alimentação: 85 a 265 VCA ou 18 a 36 VCC;
Não obstrui o fluxo do líquido medido;
Diversas opções de flanges;
Diversas opções de frequências de operação;
Permite detectar a direção do líquido;
Eletrônica resistente a surtos elétricos;
Água e esgoto;
Indústria química;
Indústria de alimentos;
Agricultura;
Tratamento de efluentes.
Tamanho: DN10 a DN350
Meio: Líquidos condutivos
Temperatura do meio: Classe E∠60°C Grau CH∠180°C
Precisão: 0,25% a 0,5%
Repetibilidade: 0,1% a 0,17%
Pressão da tubulação: 0,6, 1,0, 1,6, 2,5, 4,0, 6,4 MPa (ou especificado pelo cliente)
Indicações do display: Vazão instantânea, totalização, velocidade, taxa de vazão
Sinais de saída: 4 a 20mA, pulsos, RS485, Hart
Alimentação: 85 a 265 VCA ou 18 a 36 VCC
Tipo de conversor: Integrativo
Proteção: IP65/IP68
A prova de explosão: Ex deibmb IIC T3 ~ 6
Velocidade: 0,05 a 12 m/s
Revestimento: PU (DN25 a DN500) / F4 (PTFE) (DN25 a DN1600) / F46 (FEP) (DN10 a DN200) / PFA (DN10 a 30)
Direção do fluxo: Direto e reverso
Material do eletrodo: 316L, Pt, Ta, Ti, HB, HC, WC
Número de eletrodos: 3 a 6 unidades
Material do flange: SS/CS
Alarme (normalmente aberto): Vazio, excitação, limite superior e limite inferior
Temperatura ambiente: -30°C a 60°C
Protocolo de comunicação: Modbus, Hart






