Alfacomp
Baixe a folha de dados do produto
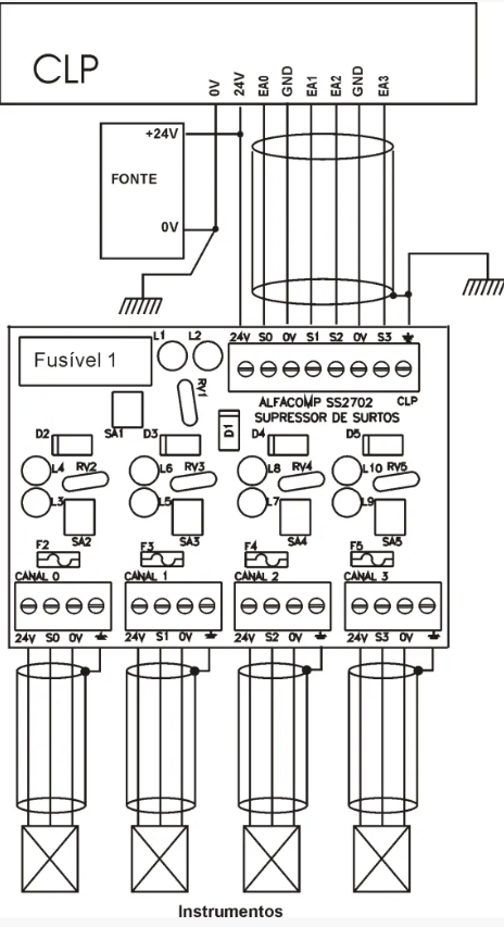
Descrição do Produto
O módulo Alfacomp SS2702 constitui um protetor de canais analógicos contra surtos elétricos causados por sobre tensões na fiação de campo. Montado em circuito impresso e alojado em suporte plástico para fixação em trilho DIN, o módulo incorpora cinco circuitos de proteção contra surtos, sendo um para evitar que surtos danifiquem o circuito de alimentação em 24V e os outros quatro para proteção de canais analógicos.
Cada circuito é dotado de fusível, centelhador a gás, varistor de óxido metálico, diodo supressor e indutores.
O módulo substitui com vantagens de custo, espaço e tempo de montagem, um arranjo de quatro protetores, fusíveis e bornes. Um dos diferenciais do produto é o fato de ser o único do mercado dotado de fusíveis rearmáveis (PTC).
Características Técnicas
Montado em um trilho horizontal, o módulo tem as seguintes características:
| Especificação | Detalhe |
|---|---|
| Tensão nominal de operação | 24 VCC |
| Corrente máxima fornecida pela saída de 24V (protegido por fusível) | 1 A |
| Corrente máxima admitida na entrada de sinal analógico (protegido por termistor rearmável) | 50 mA |
| Resistência máxima | 2,5 ohm |
| Tensão de atuação nominal do centelhador a gás | 75 V 10 kA |
| Tensão de atuação nominal do varistor de óxido metálico | 33 V |
| Tensão de atuação nominal do diodo supressor na saída de 24 V (Transorb) | 30 V |
| Tensão de atuação nominal do diodo supressor na entrada de sinal (Transorb) | 13 V |
| Temperatura de armazenagem | -25°C a +85°C |
| Temperatura de operação | -25°C a +60°C |
| Frequência máxima (-3 db / impedância de carga) | 500 kHz / 240 ohm |
| Capacidade de descarga de corrente típica (8/20 μs) | 10 kA |
| Tensão de supressão para pulso de 1 kV/μs na entrada | 40 V |
| Potência de absorção do transorb por 1ms | 600W |
| Tempo de resposta do transorb | Menor que 5 ps |
| Corrente de fuga | 1 uA |
| Altura | 70 mm |
| Largura | 96 mm |
| Profundidade | 40 mm |


Somos referência em automação e controle industrial no Brasil. Atuamos como consultoria de engenharia, fabricantes de soluções próprias e distribuidores exclusivos Haiwell, oferecendo CLPs, IHMs e sistemas completos de automação. Unimos experiência, inovação e proximidade para elevar a eficiência, a segurança e a competitividade das indústrias em todo o país.
Dispositivo de proteção contra surtos para 4 canais analógicos - SS2702
© Copyright 2026. DIVIA Marketing Digital. Todos os Direitos Reservados

Envie uma avaliação