RM-SX900 – Rádio modem Spread Spectrum em 900 MHz
Faça Download do Manual do Usuário do RM-SX900Os rádios modem RM-SX900 com tecnologia spread spectrum, fornecem uma combinação de confiabilidade e redundância para transmissão de dados com baixo consumo de energia em aplicações industriais. Utilizando a rede e protocolo Mesh, com operação em redundância, permitem estender a malha de comunicação com as remotas funcionando como repetidoras.
A comunicação ponto a ponto e ponto multiponto tornam o RM-SX900 ideal para o controle e monitoração de estações remotas de telemetria e para todo o tipo de aplicação industrial onde a comunicação serial é necessária.
O alcance do rádio modem é de até 65 km em linha de visada. O equipamento foi projetado para o bloqueio de interferências, permitindo o uso em aplicações que exigem a combinação de alcance, redundância e confiabilidade de dados.
O rádio modem RM-SX900 possui conectores e LEDs que facilitam a instalação e utilização. A fixação em trilho DIN e o formato vertical contribuem para a economia de espaço no painel de telemetria.
Os módulos RM-SX900 podem ser configurados facilmente usando o software XCTU ou via comandos AT e comunicam dados críticos entre dispositivos com criptografia AES de 256 bits.
Características do rádio modem RM-SX900
- Permite até 250 kbps de RF
- Baixo custo
- Ponto a ponto, Ponto Multiponto e Mesh
- Rede Mesh com reencaminhamento automático
- Store & Forward – o rádio funciona como repetidora
- Temperatura de operação (-40 C a +85 C)
- Potência de saída ajustável
- Dimensões reduzidas
- Filtro de RF proporciona alta rejeição a ruido e interferência
- Encriptação 256-bit AES
Aplicações do rádio modem RM-SX900
- Medição de utilities
- Telemetria de unidades remotas
- Sensoriamento de eletricidade, óleo e gás
- Comunicação com painéis digitais de sinalização
- Comunicação serial em ambiente industrial
Especificações Técnicas
Especificações Técnicas do Rádio Modem
| Especificação |
Detalhes |
| Faixa de operação |
ISM 902 a 928 MHz |
| Potência de saída de RF |
Até 30 dBm (1W) |
| Canais |
10 sequências de saltos de 50 frequências |
| Baud rate de RF |
Selecionável: 10 kb/s, 110 kb/s ou 250 kb/s |
| Baud rate serial |
Até 120 kb/s |
| Sensibilidade de recepção |
Em 10 kb/s: -113 dBm; Em 110 kb/s: -106 dBm; Em 250 kb/s: -103 dBm |
| Seletividade de recepção (frequência intermediária) |
Em 10 kb/s: +/- 250 kHz: 40 dB; +/- 500 kHz: 50 dB; Em 110 kb/s: +/- 250 kHz: 30 dB; +/- 500 kHz: 40 dB; Em 250 kb/s: +/- 500 kHz: 30 dB; +/- 1000 kHz: 45 dB |
| Seletividade de recepção RF |
Abaixo de 900 MHz e acima de 930 MHz; > 50 dB |
| Linha de visada em ambiente rural |
Em 10 kb/s: até 65 km |
| Linha de visada em ambiente urbano |
Em 10 kb/s: até 18 km |
| Em ambiente fechado |
Em 10 kb/s: até 300 metros |
| Modulação |
Gaussian Frequency Shift Keying |
| Tecnologia de espalhamento |
Frequency Hopping Spread Spectrum (FHSS) |
| Topologias de redes suportadas |
Ponto a ponto (mestre/escravo não necessária), ponto multi-ponto, mesh |
| Encriptação |
256-bit AES CBC (opcional). A encriptação é habilitada pelo commando ATKY. |
| Dimensões |
99 x 74 x 27 mm |
| Peso |
230 g |
| Padrões de qualidade |
ISO 9001:2015 |
| Conexões |
RF: SMA fêmea; Serial RS232: RJ12 macho; Serial RS485: Borne destacável modelo STL(Z) – Juntamente com a alimentação |
| Impedância de antena |
50 ohms |
| Máximo sinal de entrada na conexão de RF |
6 dBm |
| Temperatura de operação |
-40° C a 85° C |
| Alimentação |
10 a 30 VCC |
| Corrente em recepção |
40 mA em 12V, 20 mA em 24V |
| Corrente em transmissão (em 1W de RF) |
460 mA em 12V, 260 mA em 24V |
LEDs RSSI (Received Signal Strength Indicator) – Indicam a intensidade do sinal de rádio recebido.
- 1 LED indica sinal bom
- 2 LEDs indica sinal ótimo
- 3 LEDs indica sinal máximo

LED TX – Pulsa quando dados estão sendo transmitidos pelo rádio modem.
LED RX – Pulsa quando dados estão sendo recebidos pelo rádio modem.
LED STATUS – Indica o status de funcionamento do rádio modem.
Conexões
Configuração do Conector Serial
Interface serial RS232 – Conector RJ12
Configuração do Conector Serial
| Pino |
Descrição |
Sentido |
| 1 |
DTR – Data terminal ready |
Entrada |
| 2 |
RXD – Dados recebidos pelo rádio |
Saída |
| 3 |
TXD – Dados a serem transmitidos pelo rádio |
Entrada |
| 4 |
RTS – Request to send |
Entrada |
| 5 |
GND |
- |
| 6 |
CTS – Clear to send |
Saída |
O transceptor RM-SX900 é chamado DCE (Data Communication Equipment). Um DCE pode ser conectado a um DTE (Data Terminal Equipment), por exemplo, um PC, através de um cabo serial cuja configuração é apresentada abaixo.
Interface serial RS485 e alimentação
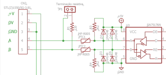
A porta serial RS485 está presente no mesmo conector utilizado para alimentar o rádio. O conector é do tipo STL(Z) da Phoenix Mecano A pinagem do conector é apresentada na tabela que segue.
Configuração do Conector de Alimentação e RS485
Configuração do Conector de Alimentação e RS485
| Pino |
Descrição |
Sentido |
| +V |
Alimentação: 10 a 30 VCC |
Entrada |
| 0V |
Alimentação: 0V |
GND |
| GND |
Conectar a malha do cabo RS485 |
RS485 (GND) |
| A |
A (+) RS485 (+TX/+RX) |
Entrada/saída |
| B |
B (-) RS485 (-TX/-RX) |
Entrada/saída |
O circuito parcial a seguir, apresenta as conexões internas da porta RS485. Observe-se que os sinais A e B da conexão seria RS485 são protegidas contra sobre tensões por diodos e termistores. O Jumper JP1 conecta a terminação resistiva de 120 ohms. Esta terminação deve ser utilizada nas pontas da rede RS485. Consulte as normas EIA para saber mais sobre este padrão serial.
Construção internaO equipamento é composto por duas placas eletrônicas como mostrado abaixo. A figura apresenta a localização do jumper da conexão resistiva e dos botões de RESET e COMM.

Interligação das interfaces seriais
As interfaces RS232 e RS485 estão interligadas internamente no rádio. Isso significa que um frame serial recebido pelo rádio será simultaneamente reproduzido na RS232 assim como na RS485.
Da mesma forma, os frames recebidos na RS232 assim como na RS485 serão transmitido pelo rádio.
Não existe seleção de interfaces, ambas estão ativas. Isto pode ser útil na composição de repetidoras, por exemplo, em que interligamos os rádio pela RS485 e comunicamos com um CLP local pela RS232, ou interligamos rádios pelas RS232, cruzando TX e RX, e ligamos um CLP à RS485.
Software de configuração
- Baixe e instale o software XCTU.
- Conecte a porta serial do rádio RM-SX900 a porta serial do PC ou ao cabo conversor USB – RS232 (exemplo: Cabo Comm5);
- Alimente o rádio;
Abra o software XCTU e clique no ícone de leitura;

- Selecione a porta serial;

- Selecione e adicione o rádio encontrado:

- Clique no rádio selecionado para que o XCTU leia sua configuração;

Métodos de comunicação
O parâmetro TO (Transmit Options) define o método de comunicação da seguinte forma:
- Ponto Multiponto (TO = 0x40);
- Repetidor (directed broadcast) (TO = 0x80);
- Mesh (TO = 0xC0).
Comunicação ponto a ponto
A comunicação ponto a ponto consiste de um simples par de transceptores. Essa configuração substitui um cabo de comunicação serial. Uma aplicação, por exemplo, seria a comunicação entre um CLP e uma estação de supervisão.

Na comunicação ponto a ponto não é necessário que um rádio seja mestre e outro seja escravo. Basta que os dois sejam configurados com os mesmos parâmetros.
Para que dois ou mais rádios possam comunicar entre si, é necessário que os seguintes parâmetros sejam iguais: HP, ID BR, DL, DH, BD, NB e SB.
O parâmetro TO deverá ser 0xC0.
- Conecte o primeiro rádio ao PC e leia sua configuração;
- Grave a configuração lida clicando em Profile – Create configuration profile;

Conecte o segundo rádio ao PC e leia sua configuração;
- Em seguida, configure o rádio com a o Profile criado, utilizando o Apply configuration profile.
- O rádios estão prontos para comunicar entre eles.
Comunicação ponto multiponto
Sistemas Ponto Multiponto possuem uma estação central (Servidor), que controla a comunicação, e diversas outras unidades chamadas remotas (Clientes). Programando os transceptores com diferentes configurações de canal e identificador de sistema, podemos criar redes diferentes dentro de uma mesma área.

Nesta configuração, todos os rádios da rede deverão ter os seguinte parâmetros iguais: HP, ID BR, DL, DH, BD, NB e SB.
Parâmetro TO = 0x40.
Comunicação em rede Mesh
A rede Mesh é uma topologia de comunicação na qual cada nó está conectado a todos os outros que estão em alcance de RF. Cada nó coopera na transmissão das informações. Benefício da rede Mesh:
Routing (encaminhamento): A mensagem é propagada ao longo do caminho, de nó para nó, até que chegue ao destino final.
Ad-hoc network creation (auto criação da rede): É o processo automático de criação da rede sem necessidade de intervenção.
Self-healing: É processo de reorganização da rede quando um ou mais nós intermediários deixam de funcionar.
Peer-to-peer architecture (comunicação ponto a ponto): Nenhuma hierarquia ou relação cliente servidor é necessária.
Quiet protocol: Roteamento simplificado pelo uso de protocolo reativo similar ao AODV.
Route discovery: Ao invés de manter um mapa da rede, rotas de comunicação são descobertas e criadas apenas quando necessário.
Selective acknowledgments: Apenas o nó destino irá responder à solicitação.
Reliable delivery: A confiabilidade dos dados é alcançada por respostas de reconhecimentos (acknowledgments).

Na rede Mesh, a distância entre dois nós não é um problema se houver suficientes nós de roteamento criando um caminho para que a mensagem seja conduzida ao seu destino. Quando um nó deseja comunicar com outro, a rede calcula o melhor caminho.
A rede Mesh é confiável e oferece redundância intrínseca. Por exemplo, se um nó deixa de operar porque foi removido ou porque o caminho foi bloqueado, os nós restantes ainda podem se comunicar entre si diretamente ou por através de nós intermediários.
Envie uma avaliação