Soluções Completas em Automação Industrial
Conteúdos e materiais
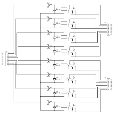
Se você busca uma forma de reduzir o espaço ocupado pelos relés no painel de automação, apresentamos aqui uma solução simples, funcional e de excelente custo-benefício. Veja o esquemático abaixo.

ID2908 – Isolador a relé para 8 saídas digitais
EsID2908 – Isolador a relé para 8 saídas digitaiste dispositivo foi projetado para criar 8 saídas a relé isoladas para utilização com CLPs de saída a transistor em 24 VCC. A montagem vertical do módulo isolador permite termos 8 relés em apenas 23 mm do trilho DIN.

Diodos D9 a D16: 1N4148
Relés K1 a K8: DSY2Y-S-224L
LEDs D1 a D8: LED 3mm vermelho
Conector J1: STLZ1550/9-3.18H
Conectores J2 e J3: STLZ 1550/8-3.18H
Na busca constante por competitividade e redução de custos, a indústria de componentes eletro-eletrônicos procura oferecer dispositivos cada dia mais compactos, viabilizando assim montagens de quadros de comando menores e mais econômicos. Boa parte da área de um painel elétrico com muitas saídas digitais é destinada aos relés. Pois bem, imagine reduzir pela metade o espaço ocupado pelos relés no quadro de comando. Considerando relés medindo 6 mm de largura, por exemplo, 64 relés enfileirados irão ocupar 38,4 cm. Com o ID2908, 64 relés ocupam apenas 18,4 cm.

O módulo ID2908 constitui um isolador a relé para 8 saídas digitais de 24V. As bobinas dos relés tem uma ligação em comum no borne 0V. O módulo possui 8 saídas independentes e isoladas; S0 até S7. Ocupando apenas 23 mm no trilho DIN, o módulo funciona como borneira, simplificando a montagem de quadros de comando e economizando espaço. 8 LEDs indicam o estado dos relés. As conexões são por bornes destacáveis, facilitando a troca rápida de módulos.
Especificações técnicas